海灣GST-LD-8365H輸入/輸出模塊接線安裝技術
特點
GST-LD-8365H 輸入/輸出模塊(以下簡稱模塊),主要用于連接需要火災報警控制器控制的消防聯動設備,主要應用兩種情形:
1)被控設備控制端口提供 12V~48V 檢線電壓的場合,如卷簾門、消防電梯等,并可接收設備的動作回答信號;
2) 模塊作為有源輸出的場合,如電磁閥、非編碼聲光等。
模塊還具有如下特點:
兩線制低功耗設計;采用 32 位 ARM 微處理器實現信號處理,用數字信號與控制器進行通信,工作穩定可靠,對電磁干擾有良好抑制能力;
輸入、輸出均具有檢線功能,輸入信號隔離檢測,抗干擾能力強;
輸出觸點容量 2A。
主要技術指標
(1) 工作電壓:
信號總線電壓:總線 24V 允許范圍:16V~28V;
(2) 工作電流:
無源輸出:總線監視電流≤0.73mA 總線啟動電流≤0.95mA;
有源輸出:總線監視電流≤0.92mA 總線啟動電流≤27.9mA;
(3) 指示燈:輸入
紅色,正常巡檢時閃亮 1 次,總線電壓低故障時連續閃亮兩次,輸入故障時以 2.5Hz、50%占空比閃爍,反饋時常亮;輸出指示燈:紅色,待機時熄滅,輸出故障時以 2.5Hz、50%占空比閃爍,啟動時常亮;編碼方式:電子編碼方式,占用一個總線編碼點,編碼范圍可在 1~242 之間任意設定;
(4) 使用環境:
溫 度:-10℃~+55℃,相對濕度≤95%,不凝露;
(5) 外形尺寸:86mm×86mm×41mm(帶底殼);
(6) 外殼防護等級:IP30;
結構特征、安裝與布線 模塊的外形尺寸及結構與 GST-LD-8301A 型輸入模塊相同,安裝方法也相同,其對外端子示
意圖如圖 2-77:

其中:
Z1、Z2:接控制器兩總線,無極性;
I、G:與被控制設備無源常開觸點連接,用于實現設備動作回答確認(也可通過電子編碼器設為常閉輸入或自回答);
COM、NO:無源常開輸出端子;
V+、V-:有源輸出端子;配置有源輸出時,V+和 COM 短接,NO、V-配接被控設備(NO 為正極,V-為負極);
布線要求:Z1、Z2 采用截面積≥1.0mm2的 RVS 雙絞線; NO、COM、V+、V-采用截面積≥1.0mm2的 RV 線。布線應與動力電纜、高低壓配電電纜等不同電壓等級的電纜分開布置,不能布設在同一穿線管或線槽內。
應用方法
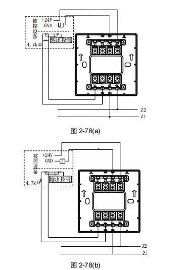
當輸出控制電壓由被控設備提供,此時模塊無源輸出觸點控制設備,模塊與被控制設備的接線示意圖如圖 2-78(a)、圖 2-78(b)(圖 2-78(a)為常開輸入檢線,圖 2-78(b)為常閉輸入檢線)。

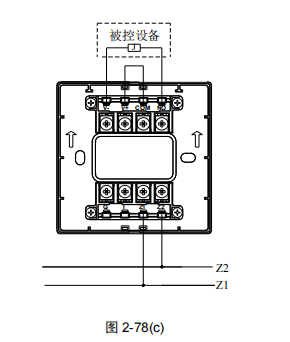
當模塊有源輸出控制設備時,一條總線回路上配接此模式模塊數量不得超過 4 只,輸入配置方式無變化,模塊與被控制設備接線方式如圖 2-78(c)所示:



蘇公網安備32058102002318號
客服1